? ?隨著經濟的發展,我國人均用電量大幅增加,電氣火災也隨之劇增,給國家經濟和人民生命財產造成巨大損失。全國火災統計數據表明,一直保持在30%左右,事故造成的直接財產損失占總火災損失的40%左右。我國的電氣火災大部分是由短路引起的。
? ?低壓配電線路及電氣設備由于線路老化和機械損傷,絕緣性能下降而產生漏電。漏電可引起電弧、電火花,電弧的異常高溫達2000℃以上,幾百毫安漏電的電弧能量就足以引燃周圍的可燃物而引起電氣火災。“漏電火災報警系統”能準確監控電氣線路的故障和異常狀態,及時發現電氣火災的火災隱患,提醒人員去消除這些隱患。
? ?“漏電”從產生原理上講是“剩余電流”,在國際上的通用術語也是“剩余電流”,但消防技術規范上目前還稱為漏電火災報警系統。
? ?1 漏電火災報警系統的原理和功能
? ?1.1 漏電檢測原理
? ?漏電火災報警系統是利用電流互感器檢測電流的原理檢測漏電電流的大小。
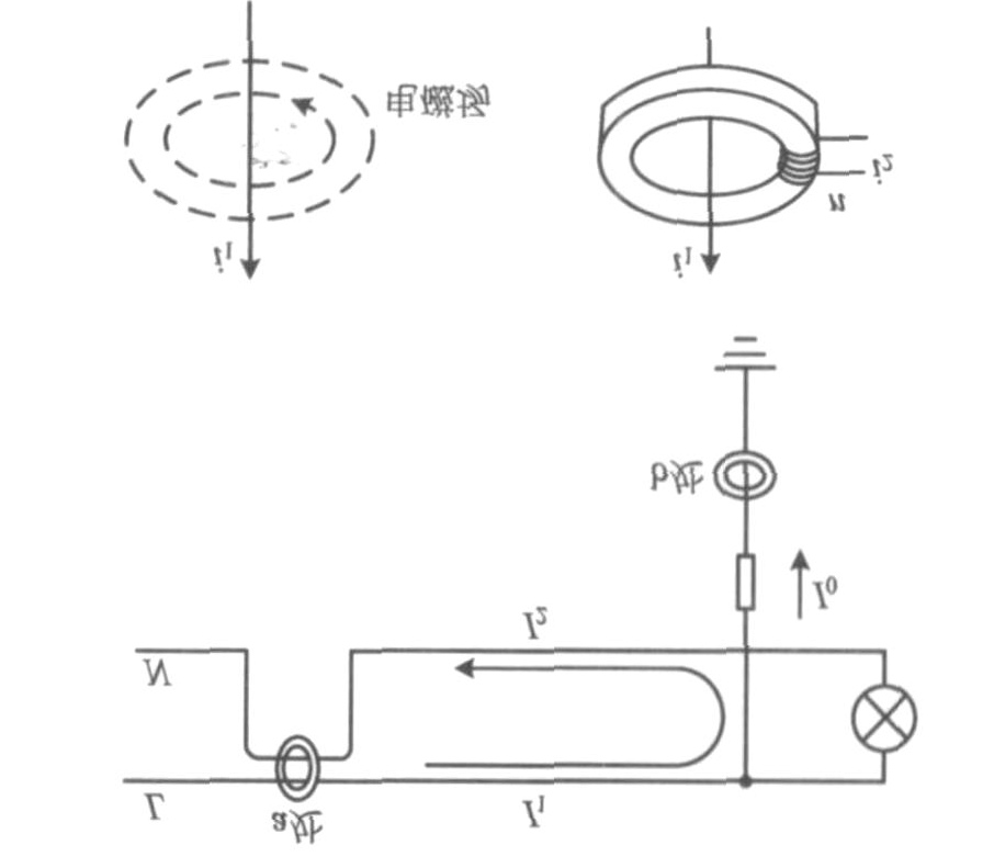
? ?如圖1所示,如果導線中流過的電流為i1,i1在其周圍將產生電磁場,電磁場的強弱與導線中的電流大小成正比。電流互感器為高導磁率器件,把它置于

? ?圖1 用互感器提取電流信號
? ?電磁場中,在其次級線圈中將感應出交變電流i2。
? ?i1/n=i2/n
? ?其中:n為互感器的匝數。可見,i2,i1成正比。
? ?如圖2所示,在正常情況下,L線及N線里流過的電流大小相等,方向相反。如果線路絕緣劣化,例如L線對地形成電阻,其電流為I0,此時:I1=I2+I0,則I0=I1-I2≠0。
? ?在圖中的a處如果將電流互流互感器套住L線和N線,則電流互感器的線圈中將感應出與I0成正比的電流。將電流互感器安裝在b處,同樣也可以檢測出I0。將I0稱為漏電電流,其數值大小反映了配電線路及電氣設備的電氣絕緣性能。

? ?圖2 漏電電流檢測
? ?由于有容性電流的存在,絕緣良好的電線電纜也能檢測到數值較小的泄漏電流,但這種泄露電流分布廣且數值小不會引起漏電火災。漏電火災報警系統可預先設定一個明顯高于泄漏電流的漏電報警動作值以避免誤報。
? ?1.2 漏電火災報警系統工作原理漏電火災報警系統一般由一臺探測報警器主機和若干個漏電電流互感器、控制模塊經二總線組成。
? ?工程管理
? ?當被保護線路中發生接地漏電電流時,探測器測到報警信號,傳送給控制模塊,通過二總線網絡傳輸主機發出聲光報警信號;主機顯示屏同時顯示報警線路,記錄并保存報警和控制信息,值班人員可在主機處遠程操作切斷電源或派人到現場排除故障。實現對各保護對象的線路和用電設備的漏電情況進行集中監控和管理。
? ?1.3 漏電火災報警系統應具有的功能
? ?(1)探測漏電電流、過電流等信號。
? ?(2)發出聲光信號報警,準確報出故障線路地址,監視故障點的變化。
? ?(3)儲存各種故障和操作試驗信號,信號存儲時間不應少于365d。
? ?(4)顯示系統電源狀態。如果有必要還可以切斷漏電線路上的電源,并顯示其狀態。
? ?2 漏電火災報警系統的應用
? ?漏電火災報警系統是一種基于計算機技術的數字化監控網絡系統,監控終端電氣故障,實現遠傳遠控和報警顯示功能的設備。漏電火災報警系統功能復雜,但目前沒有相應的設計、施工及驗收規范,筆者認為目前漏電火災報警系統可按照文獻[1,2]的相關條文和設計手冊的要求設計、施工。
? ?2.1 漏電火災報警系統設計的規范依據明確提出“建筑物電源端的剩余電流保護裝置應滿足防電氣火災的功能要求”,對在建筑物內安裝剩余電流動作火災監控裝置及動作參數作了明確規定。
? ?(2)規定:高層建設內火災危險性大、人員密集等場所宜設置漏電火災報警系統。文獻[5]規定在按一、二級負荷供電的消防用電設備的場所和其它危險性較大的場所宜設置。
? ?2.2 設計有關要求
? ?(1)系統額定漏電電流動作值的確定。額定漏電電流動作值的確定應準確合理,避免誤動作或擴大停電范圍。額定漏電電流動作值應考慮正常運行時的大泄漏電流,并留有充分余地。配電線路正常運行時的泄漏電流,包括線路本身的泄漏電流和用電設備的泄漏電流兩部分,兩者之和即為確定額定剩余動作電流與校驗額定剩余不動作電流的依據。
? ?“選用的剩余電流保護裝置的額定剩余不動作電流,應不小于被保護電氣線路和設備的正常運行時泄漏電流大值的2倍。”在選用漏電控制模塊的額定動作電流時,應不小于電氣線路和設備的正常泄漏電流的大值的2倍。并且可根據被保護線路及設備的實際情況進行調整。一般二級漏電報警電流值在600~800mA,三級漏電報警電流值在200~400mA范圍內。
? ?(2)配電級數的選定。為對配電系統進行有效監控,準確判斷出故障線路地址及時發現隱患部位,應根據建筑用電負荷和線路的具體情況,確定采用二級或三級保護。一般二級開關處都要安裝漏電電流探測器。
? ?(3)斷路器脫扣與報警。系統設計應標明動作電流的作用是報警還是作用于斷路器脫扣,如未標明則定為報警。對消防用電設備無論是過電流還是漏電均不能作用于斷路器脫扣,只能進行報警。
? ?(4)電源設計。漏電火災報警系統屬于消防設備,監控設備的主電源應采用消防電源。設計時應遵循以下原則:一級負荷用戶應按一級負荷要求供電,二級負荷用戶應按二級負荷要求供電。給監控設備供電的兩個電源或兩回線路,應在末一級配電箱處自動切換。監控設備可配有UPS裝置,且UPS的容量滿足監控設備的要求。